秦先生第四部琪琪结局,战神小利约180高清在线观看,床上108种扦插方法视频

`
编码器
    增量式编码器系列
    绝对式编码器系列
拉线编码器
    小量程
    中量程
    大量程
拉绳编码器
拉线位移传感器
磁栅尺
    磁栅尺
    磁栅尺磁头
    位置指示器
    

济南光宇自动化设备有限公司
联系人: 李经理
电 话: 86 0531 88060803

传 真: 86 0531 88060864

地 址: 中国 山东 济南市 济南市历城区荣盛时代国际广场1号楼1001

磁栅尺-磁栅尺磁头 >>

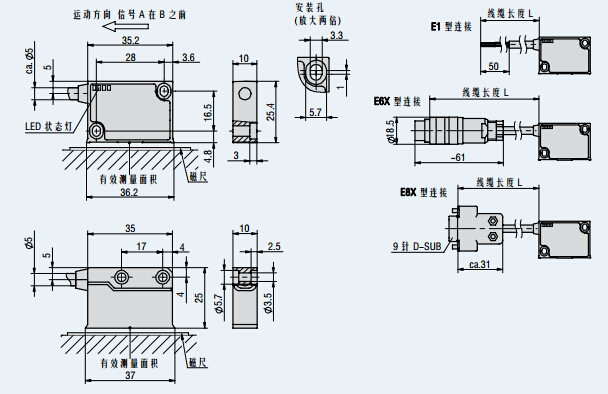
磁头磁性测量系统MSK1000

磁性传感器 MSK1000

 

Contactless measuring sensor unit with integrated translation module and digital signal output. In combination with the magnetic band MB100, the sensor forms an open, robust and linear measuring system with high resolution at a reading distance of 0,4mm.

 

 

优点概览

特点

■ 分辨率达 0.2μm
■ 参数可通过红外接口编程(比如:分辨率)
■ LED状态灯
■ 实时信号处理
■ 固定或循环参考点
■ 坚固的金属外壳

 

 

产品附件
  ■ 匹配插头 GS MagLine

 

返回

Copyright by 2012 济南光宇自动化设备有限公司 ALL Rights Reserved
电话:0531—88060803 传真:0531—88060864  邮编:250100  邮箱:jinanguangyu@126.com
地址:中国山东济南市荣盛时代国际广场1号楼1001 Power by 公司提供 拉线编码器 拉绳编码器 编码器 拉线位移传感器 拉绳位移传感器 绝对值编码器 联轴器 磁栅尺 光栅数显改造等相关产品。技术支持:

友情链接: 拉线编码器  光栅数显系统改造 磁栅尺 
工信部备案号码:鲁ICP备12011799号-7
`
主站蜘蛛池模板: 南雄市| 陇南市| 沙坪坝区| 库伦旗| 昌平区| 拜城县| 湘乡市| 友谊县| 噶尔县| 安达市| 阿巴嘎旗| 福州市| 宜春市| 滨州市| 株洲市| 淮滨县| 四会市| 岳阳县| 方正县| 雅江县| 五台县| 永顺县| 敦煌市| 桓仁| 高平市| 呼和浩特市| 郯城县| 抚州市| 康平县| 青浦区| 锦州市| 丹东市| 疏勒县| 安溪县| 湄潭县| 墨脱县| 北宁市| 广昌县| 萨嘎县| 吴桥县| 汽车|