秦先生第四部琪琪结局,战神小利约180高清在线观看,床上108种扦插方法视频

`
编码器
    增量式编码器系列
    绝对式编码器系列
拉线编码器
    小量程
    中量程
    大量程
拉绳编码器
拉线位移传感器
磁栅尺
    磁栅尺
    磁栅尺磁头
    位置指示器
    

济南光宇自动化设备有限公司
联系人: 李经理
电 话: 86 0531 88060803

传 真: 86 0531 88060864

地 址: 中国 山东 济南市 济南市历城区荣盛时代国际广场1号楼1001

编码器-绝对式编码器系列 >>

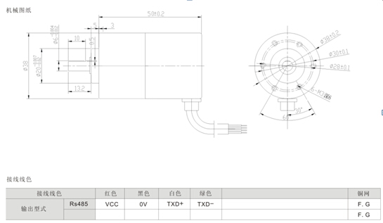
经济型机械多圈系列绝对值编码器GYS38-002

经济型机械多圈系列绝对值编码器GYS38-002

外径38  轴径6 止口20 防护等级根据客户要求定做

进口高精密轴承,保证产品高速运转平稳
 
电源电压 5V 10-30V可选
 
绝对式测量单圈12位,多圈12
 
接口型式 RS232RS422 RS485等可选
 
输出码制 二进制Binary 格雷码Gray (可选)

掉电后有记忆,不用开机找零

返回

Copyright by 2012 济南光宇自动化设备有限公司 ALL Rights Reserved
电话:0531—88060803 传真:0531—88060864  邮编:250100  邮箱:jinanguangyu@126.com
地址:中国山东济南市荣盛时代国际广场1号楼1001 Power by 公司提供 拉线编码器 拉绳编码器 编码器 拉线位移传感器 拉绳位移传感器 绝对值编码器 联轴器 磁栅尺 光栅数显改造等相关产品。技术支持:

友情链接: 拉线编码器  光栅数显系统改造 磁栅尺 
工信部备案号码:鲁ICP备12011799号-7
`
主站蜘蛛池模板: 铜山县| 集安市| 行唐县| 临沭县| 睢宁县| 霸州市| 和平县| 庆云县| 宕昌县| 白玉县| 大悟县| 喀喇沁旗| 荆州市| 绥芬河市| 胶南市| 鄂伦春自治旗| 乌拉特中旗| 长海县| 乌兰浩特市| 东莞市| 资阳市| 农安县| 普洱| 汝南县| 大关县| 河北区| 岳西县| 新沂市| 富阳市| 平舆县| 金寨县| 东台市| 方正县| 会同县| 鲁山县| 青铜峡市| 桓台县| 嵊州市| 嘉义市| 长武县| 桐城市|