秦先生第四部琪琪结局,战神小利约180高清在线观看,床上108种扦插方法视频

`
编码器
    增量式编码器系列
    绝对式编码器系列
拉线编码器
    小量程
    中量程
    大量程
拉绳编码器
拉线位移传感器
磁栅尺
    磁栅尺
    磁栅尺磁头
    位置指示器
    

济南光宇自动化设备有限公司
联系人: 李经理
电 话: 86 0531 88060803

传 真: 86 0531 88060864

地 址: 中国 山东 济南市 济南市历城区荣盛时代国际广场1号楼1001

磁栅尺-磁栅尺磁头 >>

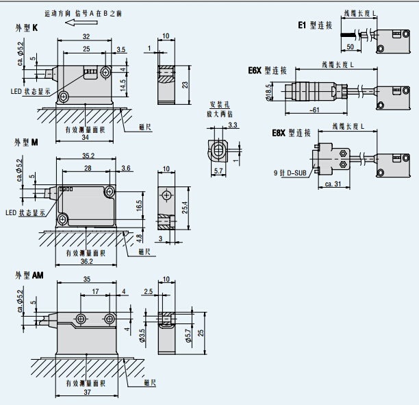
德国SIKO磁性传感器MSK5000-0011

德国SIKO磁栅读数头MSK5000-0011

增量型编码,数字化接口

分辨率可调,最高能到0.001mm

重复精度±0.01mm

LED状态显示

实时信号处理

配套磁柵尺MB500

与磁尺间距高达2mm

返回

Copyright by 2012 济南光宇自动化设备有限公司 ALL Rights Reserved
电话:0531—88060803 传真:0531—88060864  邮编:250100  邮箱:jinanguangyu@126.com
地址:中国山东济南市荣盛时代国际广场1号楼1001 Power by 公司提供 拉线编码器 拉绳编码器 编码器 拉线位移传感器 拉绳位移传感器 绝对值编码器 联轴器 磁栅尺 光栅数显改造等相关产品。技术支持:

友情链接: 拉线编码器  光栅数显系统改造 磁栅尺 
工信部备案号码:鲁ICP备12011799号-7
`
主站蜘蛛池模板: 五华县| 云和县| 桂阳县| 呼图壁县| 汶上县| 大渡口区| 怀柔区| 闽清县| 左云县| 扶余县| 清徐县| 名山县| 长海县| 囊谦县| 茂名市| 外汇| 新巴尔虎右旗| 庆城县| 喀什市| 稷山县| 岫岩| 北海市| 和田市| 台安县| 武隆县| 永修县| 龙陵县| 蛟河市| 惠州市| 保靖县| 始兴县| 齐河县| 清流县| 邹平县| 临江市| 龙岩市| 买车| 镇宁| 达拉特旗| 高台县| 枞阳县|